| 图例 | 型号 | 说明 | 尺寸 |
![]() |
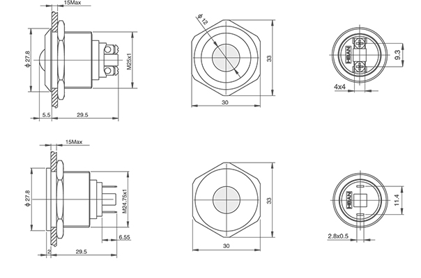
HBGQ25DG-D/L/△/▲/◎ |
安装孔尺寸:Ø25mm
接线类型:接线柱
电压等级:≤220v
额定电流:<20mA
灯珠类型:LED
灯珠颜色:红/绿/黄/橙/蓝/白/红绿/红蓝/红绿蓝
外壳材料:黄铜镀镍/不锈钢
防护等级:IP67, IK08
|
![]() |
![]() |
HBGQ25DT-D/L/△/▲/◎ |
||
![]() |
HBGQ25DG-D/J/△/▲/◎ |
安装孔尺寸:Ø25mm
接线类型:接线插片
电压等级:≤220v
额定电流:<20mA
灯珠类型:LED
灯珠颜色:红/绿/黄/橙/蓝/白/红绿/红蓝/红绿蓝
外壳材料:黄铜镀镍/不锈钢
防护等级:IP67, IK08
|
|
![]() |
HBGQ25DT-D/J/△/▲/◎ |
||
![]() |
HBGQ25DG-D/Y/△/▲/◎ |
安装孔尺寸:Ø25mm
接线类型:引线
电压等级:≤220v
额定电流:<20mA
灯珠类型:LED
灯珠颜色:红/绿/黄/橙/蓝/白/红绿/红蓝/红绿蓝
外壳材料:黄铜镀镍/不锈钢
防护等级:IP67, IK08
|
暂无尺寸 |
![]() |
HBGQ25DT-D/Y/△/▲/◎ |
暂无尺寸 |
