| 图例 | 型号 | 说明 | 尺寸 |
![]() |
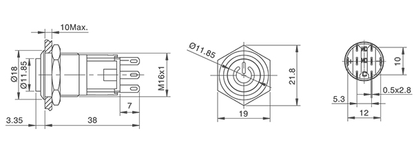
HBS1-AGQ16F-□■/◎ |
安装孔尺寸:Ø16mm
头部形状:平圆形/高平圆形
开关额定值:5A/250V AC
开关组合:1NO 1NC /2NO 2NC
操作类型:自复式/自锁式
外壳材料:黄铜镀镍/不锈钢
防护等级:IP67,IK08
|
|
![]() |
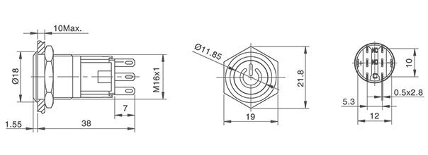
HBS1-AGQ16H-□■/◎ |
![]() |
|
![]() |
HBS1-AGQ16F-□D■/△/▲/◎ |
安装孔尺寸:Ø16mm
头部形状:平圆形单点带灯/高平圆形单点带灯
开关额定值:5A/250V AC
开关组合:1NO 1NC /2NO 2NC
操作类型:自复式/自锁式
灯珠颜色:红/绿/黄/橙/蓝/白(双色三色可选)
外壳材料:黄铜镀镍/不锈钢
防护等级:IP67,IK08
|
![]() |
![]() |
HBS1-AGQ16H-□D■/△/▲/◎ |
![]() |
|
![]() |
HBS1-AGQ16F-□E■/△/▲/◎ |
安装孔尺寸:Ø16mm
头部形状:平圆形环形带灯/高平圆形环形带灯
开关额定值:5A/250V AC
开关组合:1NO 1NC /2NO 2NC
操作类型:自复式/自锁式
灯珠颜色:红/绿/黄/橙/蓝/白(双色三色可选)
外壳材料:黄铜镀镍/不锈钢
防护等级:IP67,IK08
|
|
![]() |
HBS1-AGQ16H-□E■/△/▲/◎ |
|
|
![]() |
HBS1-AGQ16F-□DT■/△/▲/◎ |
安装孔尺寸:Ø16mm
头部形状:平圆形带电源符号/高平圆形带电源符号
开关额定值:5A/250V AC
开关组合:1NO 1NC /2NO 2NC
操作类型:自复式/自锁式
灯珠颜色:红/绿/黄/橙/蓝/白(双色三色可选)
外壳材料:黄铜镀镍/不锈钢
防护等级:IP67,IK08
|
|
![]() |
HBS1-AGQ16H-□DT■/△/▲/◎ |
![]() |
|
![]() |
HBS1-AGQ16F-□ET■/△/▲/◎ |
安装孔尺寸:Ø16mm
头部形状:平圆形环形带电源符号/高平圆形环形带电源符号
开关额定值:5A/250V AC
开关组合:1NO 1NC /2NO 2NC
操作类型:自复式/自锁式
灯珠颜色:红/绿/黄/橙/蓝/白(双色三色可选)
外壳材料:黄铜镀镍/不锈钢
防护等级:IP67,IK08
|
|
![]() |
HBS1-AGQ16H-□ET■/△/▲/◎ |
|
|
![]() |
HBS1-AGQ16F-11DS■/△/▲/◎ |
安装孔尺寸:Ø16mm
头部形状:信号灯
开关额定值:5A/250V AC
开关组合:1NO 1NC
灯珠颜色:红/绿/黄/橙/蓝/白
外壳材料:黄铜镀镍/不锈钢
防护等级:IP67,IK08
|
![]() |
![]() |
HBS1-AGQ16F-11DT■/△/▲/◎ |
安装孔尺寸:Ø16mm
头部形状:平圆形(定制符号)
开关额定值:5A/250V AC
开关组合:1NO 1NC /2NO 2NC
操作类型:自复式/自锁式
灯珠颜色:红/绿/黄/橙/蓝/白
外壳材料:黄铜镀镍/不锈钢
防护等级:IP67,IK08
|
![]() |
![]() |
HBS1-AGQ16-□TS/A/◎ |
安装孔尺寸:Ø16mm
头部形状:急停钮
开关额定值:5A/250V AC
开关组合:1NO 1NC /2NO 2NC
操作类型:推锁旋放式
外壳材料:锌铝合金
防护等级:IP65,IK08
|
![]() |

